- Тех. характеристики
- Состав системы
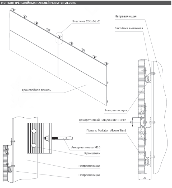
- Монтаж
- Тех. характеристики
- Состав системы
- Монтаж
Многослойная сотовая панель — конструкция из двух алюминиевых листов, пространство между которыми заполняет ячеистая структура из алюминия (либо гофрированный алюминий). Трехслойная сотовая панель может иметь разнообразные финишные поверхности: алюминий, камень (натуральный и искусственный), стекловолокнистая ткань, медь, сталь (в том числе нержавеющая), НPL-пластик, медь, ламинат, пленка ПВХ, шпон, порошковая покраска, UF-печать, сублимация. Сэндвич-панель на основе сотового/гофро алюминия – это не только декоративный элемент. Панель выполняет функцию вибро- и звукоизоляции. Кроме того панели с сотовым заполнением очень просты в монтаже. Обладают малым весом, благодаря чему установка проходит быстро и легко. Также алюминиевые сотовые панели устойчивы к внешним воздействиям. Не подвергаются коррозии, внутренняя прослойка позволяет добиться высокой жесткости и прочности. Поверхность панели невосприимчива к воздействию солнечных лучей и агрессивных химических сред и отвечает всем требованиям пожарной безопасности. Мы имеем собственное производство сотовых панелей в Московской области.
УНИКАЛЬНЫЕ ПРЕИМУЩЕСТВА
ИНДИВИДУАЛЬНЫЕ ФОРМЫ ПАНЕЛЬ PERFATEN ALCORE

ОБЛАСТИ ПРИМЕНЕНИЯ:

ФИЗИЧЕСКИЕ ХАРАКТЕРИСТИКИ ТРЕХСЛОЙНЫХ ПАНЕЛЕЙ
Основные физические параметры трехслойных панелей, в зависимости от толщины
|
Физический параметр изделия |
Величина параметра |
|||||||
|
Толщина панели Н, мм. |
8 |
10 |
17 |
20 |
25 |
30 |
40 |
|
|
Толщина листа лицевой стороны, мм. |
0,7 |
1 |
1,2 |
1,2 |
1,5 |
1,5 |
1,5 |
|
|
Толщина листа тыльной стороны, мм. |
0,8 |
0,8 |
1 |
1 |
1,2 |
1,2 |
1,2 |
|
|
Габаритные размеры панелей, мм |
min |
300х500 |
||||||
|
max** |
1400х 4000 |
1400х 4000 |
1400х 7500 |
1400х 7500 |
1400х 7500 |
1400х 7500 |
1400х 7500 |
|
|
Размеры сотового заполнения, мм. (рис. 1) |
Сторона ячейки, а |
4 |
5 |
7,5 |
10 |
12 |
15 |
15 |
|
Ø вписанной окружности |
7 |
8,5 |
13 |
17 |
21 |
25 |
25 |
|
|
Толщина фольги, t |
0,05 |
0,05 |
0,05 |
0,06 |
0,06 |
0,06 |
0,06 |
|
РАСЧЕТ СТОИМОСТИ ПАНЕЛЕЙ

Другие продукты и услуги
-
Люки UNISAVE
UNISAVE – качественный и недорогой вариант ревизионного люка. Сантехнические ревизионные люки модели UNISAVE предназначены для установки в потолочные и стеновые конструкции из ГКЛ, бетона, кирпича и других материалов.
-
Люки MAXITECH
Ревизионные люки MAXITECH предназначены для установки как в потолочные, так и в стеновые однослойные конструкции из ГКЛ с последующей отделкой люка общим со всей остальной поверхностью материалом.
-
Люки MAXITECH плюс
Ревизионные люки MAXITECH ПЛЮС предназначены для установки как в потолочные, так и в стеновые конструкции из любых материалов и обеспечивают быстрый, беспрепятственный доступ к инженерным коммуникациям.